幾種典型的局放儀測量回路連接方法
幾種典型的局放儀測量回路連接方法
a電壓互感器:電壓互感器的試驗方法可歸結為兩大類,即在被試品高壓側加壓或低壓側加壓(即二次繞組自勵磁產生),一般推薦采用高壓側加壓,但在現場若受到客觀條件的限制,無適當的電源設備,則采用低壓側加壓。
高壓側加壓:
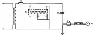
T-試驗變壓器; Ck為耦合電容器; Zm為輸入單元;
Z為電源濾波阻抗(也可位于低壓側) M為局放檢測儀
注:電壓互感器高壓線圈首末兩端絕緣水平相等的,應向兩個高壓端子輪流施加電壓,共進行兩次試驗。當一個高壓端子加壓時,另一個高壓端子應接到低壓端子上。
a電壓互感器:電壓互感器的試驗方法可歸結為兩大類,即在被試品高壓側加壓或低壓側加壓(即二次繞組自勵磁產生),一般推薦采用高壓側加壓,但在現場若受到客觀條件的限制,無適當的電源設備,則采用低壓側加壓。
高壓側加壓:
圖6-3-A 輸入單元和電壓互感器串接
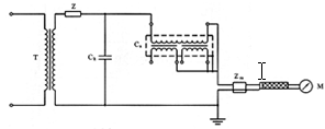
T-試驗變壓器; Ck為耦合電容器; Zm為輸入單元;
Z為電源濾波阻抗(也可位于低壓側) M為局放檢測儀
圖6-3-B 輸入單元和耦合電容器Ck串接
圖6-3-C 平衡回路
注:電壓互感器高壓線圈首末兩端絕緣水平相等的,應向兩個高壓端子輪流施加電壓,共進行兩次試驗。當一個高壓端子加壓時,另一個高壓端子應接到低壓端子上。
- 上一篇: 局放儀測量低壓側加壓如何接線
- 下一篇: 局放儀并聯法整個系統接線原理圖





