局放儀測量低壓側加壓如何接線
電氣設備在操作和使用過程中難以避免會存在局部放電現象,這是一種正常反應。局放儀就是測量這一現象,并確保電氣設備安全正常的儀器。局放儀買了之后該如何接線呢,我們和武漢合眾電氣來了解下,局放儀測量低壓側加壓如何接線。
1)輸入單元和互感器串接,以雜散電容Cs取代耦合電容器Ck,其試驗接線如圖6-4-A所示。外殼可并接在X處,也可直接接地。
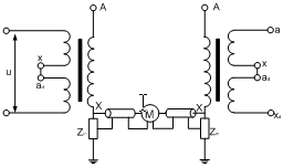
2)當干擾影響測量時,可采用鄰近相的互感器或性能相近的互感器連接成平衡回路的接線,如圖6-4-B所示,被試互感器勵磁,非被試互感器不勵磁,以降低干擾。此時采用脈沖鑒別系統測試效果更佳。
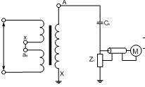
3)輸入單元和耦合電容器Ck串接,其試驗接線如圖6-4-C所示。外殼可直接接地。
為防止勵磁電流過大,電壓互感器試驗的預加電壓,可采用150Hz或其它合適的頻率作為試驗電源。


以上是局放儀低壓側的接線,如果對局放儀有需求,直接找對應廠家購買,能保證較好的售后服務,這也是很重要的。
1)輸入單元和互感器串接,以雜散電容Cs取代耦合電容器Ck,其試驗接線如圖6-4-A所示。外殼可并接在X處,也可直接接地。
2)當干擾影響測量時,可采用鄰近相的互感器或性能相近的互感器連接成平衡回路的接線,如圖6-4-B所示,被試互感器勵磁,非被試互感器不勵磁,以降低干擾。此時采用脈沖鑒別系統測試效果更佳。
3)輸入單元和耦合電容器Ck串接,其試驗接線如圖6-4-C所示。外殼可直接接地。
為防止勵磁電流過大,電壓互感器試驗的預加電壓,可采用150Hz或其它合適的頻率作為試驗電源。
圖6-4-A無耦合電容器Ck試驗接線

圖6-4-B抑制干擾的平衡回路接線

圖6-4-C接有耦合電容器Ck的試驗接線
以上是局放儀低壓側的接線,如果對局放儀有需求,直接找對應廠家購買,能保證較好的售后服務,這也是很重要的。
- 上一篇: 局放儀和電流互感器如何完成接線操作
- 下一篇: 幾種典型的局放儀測量回路連接方法





